Trittstufensteuerung

Antworten
Nachricht
Autor
frank
Site Admin
Site Admin
Beiträge: 642
Registriert: 29.10.2020, 13:45

Trittstufensteuerung

#1 Beitrag von frank »

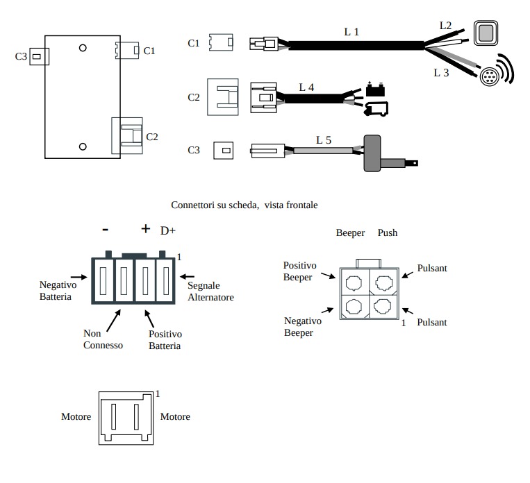
Fahrzeuge, die ein oranges ePvL haben, verfügen über eine Trittstufensteuerung.
Das Gerät steuert die Stufe indem es die über den Schalter in der Fernsteuerung des ePvL gesteuert wird, dieser Schalter hat eigne Kontakte (L2), welche nur mit dem Steuergerät der Stufe verbunden sind.
Auch das akustische Signal währen sich die Stufe bewegt wird von diesem Gerät gesteuert.
Wenn der Motor des Fahrzeugs gestartet wird, kommt das Signal D+ (Pin 1, C2) aktiv und die Stufe wird automatisch eingefahren, wenn diese noch draußen ist.
Um die Richtung zu ändern wird an der Stufe durch die Steuerung, mit Hilfe des weißen Relais, plus und minus vertauscht, dann dreht der Motos anders herum.

One-Touch-Steuergerät für die Stufe.
Das Steuergerät wurde speziell für den sicheren Betrieb der Trittstufe eines Wohnmobils entwickelt.
Es ist möglich, die Trittstufe mit einem einzigen Bedienknopf vorwärts zu fahren, anzuhalten und zurückzuziehen.

Versorgungsspannung 10-15 VDC
Verbrauch im Ruhezustand. 0 mA
Max. Verbrauch in Bewegung. 36 mA
Maximaler Kurzschlussstrom 35 A
Betriebstemperatur -10 +40 °C
Schutzart DIN 40050 (auf Klemmen) IP 20
Abmessungen (B x L x H) 62 x 105 x 30 mm

20240221_153214.jpg
innen.jpg
Anschlussplan
Anschlussplan
Barbara &Jörg
Ganz neu hier
Ganz neu hier
Beiträge: 3
Registriert: 20.04.2025, 01:46

Re: Trittstufensteuerung

#2 Beitrag von Barbara &Jörg »

Hallo Frank,danke für Deine schnelle Antwort:)
Das Problem ist schon,dass wir nicht wissen,wo das Relais ist bzw wie man daran kommt:(Wir haben eine Trittstufe von Lippert.
LG Barbara
frank
Site Admin
Site Admin
Beiträge: 642
Registriert: 29.10.2020, 13:45

Re: Trittstufensteuerung

#3 Beitrag von frank »

@Babara, wenn du das Teil nicht findest ruf mal bei Ahorn in der Werkstatt an.
Antworten

Zurück zu „ArSilicii“