Hallo
Ich habe den Ladebooster von Votronic 30A eingebaut, nach beiliegender Anleitung, da ich jetzt eine Lithiumbatterie von 100A habe.
Meine alte AGM wollte nicht mehr. Die Lithium ist mit BMS und war unwesentlich teurer wie eine neue AGM. Wechselrichter haben wir nicht. Jetzt meine Frage. Kommt das ePvL Powerlink R5 mit den 30A klar oder sollte ich was ändern?
Das Womo ist ein XGO 98 P Bj 12-2020
Danke für die Hilfe
ePvL Powerlink R5 und Ladebooster von Votronic
Re: ePvL Powerlink R5 und Ladebooster von Votronic
Ja, mit 30 Amp. kommt es klar, sollte kein Problem sein.
Re: ePvL Powerlink R5 und Ladebooster von Votronic
Vielen Dank
Dann bin ich ja beruhigt und muss mir keine Gedanken machen.
Bis dann
Dann bin ich ja beruhigt und muss mir keine Gedanken machen.
Bis dann
Re: ePvL Powerlink R5 und Ladebooster von Votronic
Hallo,
ich bin neu hier. Ich besitze ein Rimor Seal. Bauj. 2021.
Ich habe auch die Bord Batterie getauscht gegen eine LifoPo, daher benötige ich auch einen Ladebooster.
Würde auch den Votronic nehmen.
Könnte mir vielleicht jemand anhand des Verbauten ePvl erklären, wo ich Ihn anschließen muss.
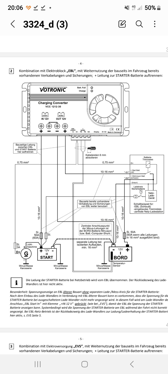
Ich verstehe die Anleitung nicht ganz, zb. Bauseitige Leitung zwischen EBL und Startbatterie hier auftrennen. Was soll ich da machen
Grüße aus Meißen und Danke im Voraus.
Jörg
ich bin neu hier. Ich besitze ein Rimor Seal. Bauj. 2021.
Ich habe auch die Bord Batterie getauscht gegen eine LifoPo, daher benötige ich auch einen Ladebooster.
Würde auch den Votronic nehmen.
Könnte mir vielleicht jemand anhand des Verbauten ePvl erklären, wo ich Ihn anschließen muss.
Ich verstehe die Anleitung nicht ganz, zb. Bauseitige Leitung zwischen EBL und Startbatterie hier auftrennen. Was soll ich da machen
Grüße aus Meißen und Danke im Voraus.
Jörg
Re: ePvL Powerlink R5 und Ladebooster von Votronic
@Karlchen,
schau mal hier: viewtopic.php?p=375#p375
Ich habe den Votronic Booster in ein Fahrzeug mit ePvL eingebaut.
schau mal hier: viewtopic.php?p=375#p375
Ich habe den Votronic Booster in ein Fahrzeug mit ePvL eingebaut.

