Funktion der Tankanzeigen

Besitzer und Fan's von Ahorn Wohnmobilen www.ahornforum.de Einladung beachten!: https://wohnmobil-support.de/viewtopic.php?p=865#p865
Antworten
Nachricht
Autor
frank
Site Admin
Site Admin
Beiträge: 627
Registriert: 29.10.2020, 13:45

Funktion der Tankanzeigen

#1 Beitrag von frank »

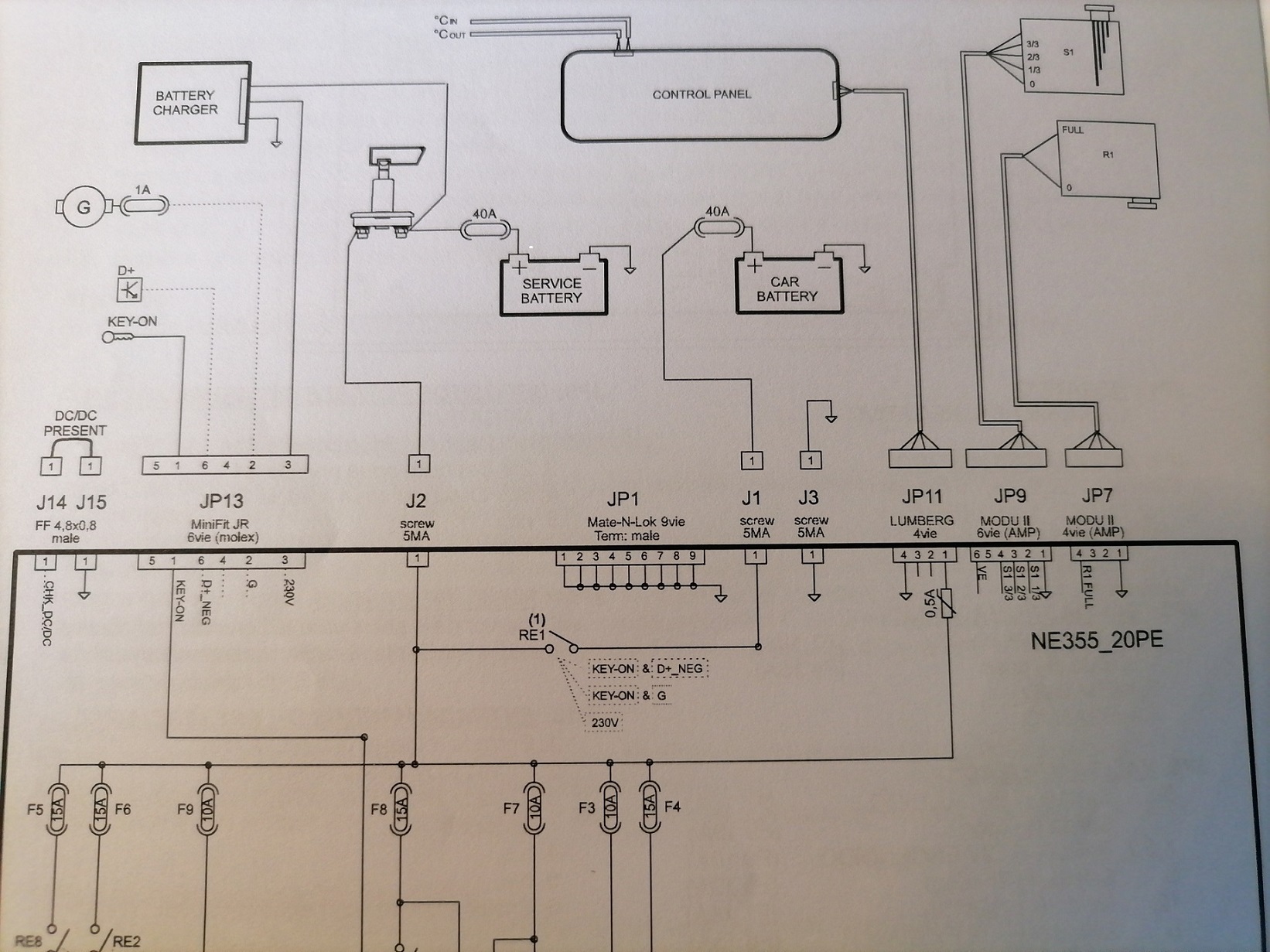
Funktion der Tankanzeigen, bei Calira sind das sind 5 unterschiedlich lange Stäbe, 0%(leer), 25%, 50%, 75% und 100% (voll). Da wie wir wissen, wiesehr Ahorn sparen muss, werden dort nur 4 Stäbe benutzt 0(leer), 1/3, 2/3 und 3/3(voll). Für den Abwassertank hat das Geld nicht mehr für 4 Stäbe gereicht ☹️, dieser hat nur zwei, deswegen nur voll oder leer.
Wenn der dazugehörige Stab im Wasser ist, leuchtet auf dem Panel die LED. Was für den Abwassertank aber auch bedeutet, selbst wenn die Voll LED, nicht leuchtet, kann dieser Tank fast voll sein. Da der Abwassertank größer als der Frischwassertank ist, sollte man diesen leeren, wenn man den Frischwassertank füllt, somit kann dieser eigentlich nicht überlaufen.
Beschreibung
acc.jpg
Steuereinheit Ne 355; rechts oben S1 Frischwasser, R1 Abwasser
Steuereinheit Ne 355; rechts oben S1 Frischwasser, R1 Abwasser
Beim Power Link ePvL ist es ähnlich Abwasser an J2 (2polig), Frischwasser an J3 (4polig).
CanadaAS67454
Ganz neu hier
Ganz neu hier
Beiträge: 2
Registriert: 17.01.2023, 12:37

Re: Funktion der Tankanzeigen

#2 Beitrag von CanadaAS67454 »

Danke für die Info. Ich hab ewig gesucht, wie der Füllstand ermittelt wird.

Ich werde für beide Tanks analoge mit Widerstandänderung verbauen und auf das Victron Cerbo legen.
Antworten

Zurück zu „Ahorn“